昆山康的斯仪器仪表有限公司

转换开关
  • 转换开关
  • 转换开关
转换开关
转换开关主要用于接通,断开和隔离电源供应和转换电路,可以在交流或直流电路中使用,广泛运用于电动机控制,板表转换,低压控制柜,开关柜等领域。

产品参数

表面尺寸 72*72mm
开孔尺寸 68*68mm
工作频率 50HZ
发热电流 10A/20/25/32/63/125A
额定绝缘电压 690V
额定工作电压 AC440V
转换开关

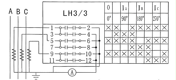
LH节点图

转换开关